|
|
|
Categories
|
|
Information
|
|
Featured Product
|
|
|
There are currently no product reviews.
 ;
I've looked some time for this manual, you guys had it and to a good price. A++++
 ;
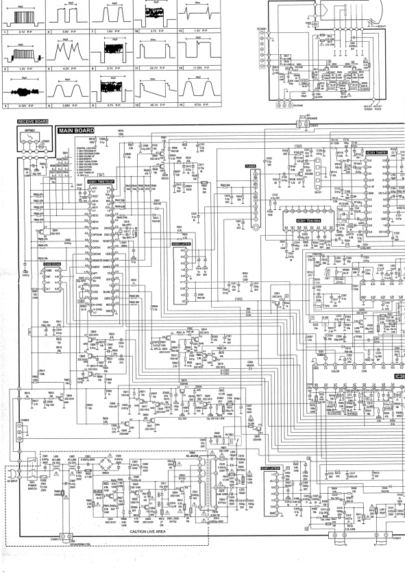
factory technician level - complete with board views :
( removing chassis from cabinet , only thing missing ) ;
on weekends , staff is not available so - be patient .
 ;
Good complete Service-Manual (SONY PVM6041QM)
A few graphics and waveforms not very clear! (-1*)
 ;
Excellent manual. In addition to the information I needed was a complete description of both electronic and mechanical devices.
Excellent site.
Thank you very much.
 ;
very good and complete manual , it is in english and german is perfect for repair.
|
|
 |
> |
|